Med den gradvise udvikling af LED-belysning vil flere og flere kunder som vane tage billeder af LED-lamper med deres mobiltelefoner, og afgøre, om lamperne er skadelige for menneskeøjne, ved at observere, om der er flimmer. Denne tilgang er ikke helt korrekt.
Traditionelle lysstofrør bruges direkte med 50Hz vekselstrøm, og deres strobe er 100Hz. Når du optager med et digitalkamera, vil der opstå vandbølger på grund af forskellen i prøvetagningsfrekvens. LED-lamper drives af DC-strømforsyninger, og lyset, der udsendes af deres lyskilder, vil også være i form af DC (med små udsving eller pulsationer overlejret på DC-basis). Fra et fysisk synspunkt er flygtigheden af dens lysemission faktisk langt lavere. Graden af fluktuation i luminescensen af en lyskilde, der opererer på vekselstrøm. Dens indgangsstrømforsyning er dog stadig i form af AC, og det er svært helt at undgå, at AC-bølger passerer gennem LED-lyskilden. Derfor vil der være flimren ved optagelse af LED-lamper med et digitalkamera.
Kan det konkluderes, at flimren på et kamera er skadeligt for menneskelige øjne? Faktisk er "det menneskelige øje følsomt over for lyssvingninger i lavfrekvensområdet." F.eks. er frekvensen af advarselslamper såsom ambulancer omkring 8-10 Hz, hvilket med stor sandsynlighed vil forårsage ubehag i øjnene og vække alles opmærksomhed. Disse frekvenser er langt lavere end det optiske frekvensområde for lyskilder, der fungerer med normal AC-strømforsyning, så "der er intet ubehag for normale menneskelige øjne, når lyskilden fungerer ved frekvensen af den nuværende civile strømforsyning." I øjeblikket er lysfrekvensen for lyskilder, der er udbredt over hele verden, 50-60 Hz (inklusive LED-skærme og LED-tv'er), så det er endnu mere unøjagtigt at sige, at bølgestrømmen fra LED-lamper ved 100 Hz vil påvirke menneskets øje komfort.
Indtil videre kan LED-strømforsyninger blot opfylde de flimmerfrie krav. Groft sagt: 1. Forøg udgangselektrolytisk kondensator. 2. Adopter en dalfyldende passiv PFC-løsning. 3. Brug en to-niveau løsning (AC til DC, DC til DC).
Lad os først diskutere den første løsning "forøgelse af den elektrolytiske udgangskondensator". Denne løsning kan teoretisk bruge elektrolytiske kondensatorer til at absorbere en del af AC-ripplen, men faktisk erfaring fortæller os, at når ripple styres inden for et bestemt område (10% ), er det svært at reducere den yderligere, medmindre flere elektrolytiske kondensatorer tilføjes uanset af omkostninger, kan det ikke fundamentalt elimineres.
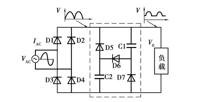
Den anden metode er "at vedtage en dalfyldende passiv PFC-løsning", som også er den mest almindelige forarbejdningsmetode. Ikke-isolerende løsninger bruger almindeligvis Jingfengmingyuan eller duty cycle løsninger. Isoleringsløsningen kan bruge Xinlian eller IWATT (den tidligste løsning er stort set blevet elimineret). Kredsløbsprincippet er som følger. To store kondensatorer og tre dioder bruges til effektfaktorkorrektion. Fordi der er en stor elektrolytisk kondensator bag ensretterbroen, absorberes AC-rippelen, og strømmen, der strømmer gennem induktoren eller transformeren til den sekundære del, er DC.

Dog har dalfyldningsordningen også visse problemer. For det første vil det ikke-isolerede dalfyldningsskema bevirke, at den udgående tomgangsspænding bliver ukontrolleret, hvilket let kan forårsage skade på lampeperlerne. For det andet kan den ikke laves om til en fuld spændingsindgang på 90-265V. Dalværdien af udgangsspændingen fra dalfyldningskredsløbet er kun halvdelen af dalværdien af det elektrolytiske filterkredsløb. Udgangsspændingen efter ensretning ved dalfyldende ensretningsmetoden er meget lavere end udgangsspændingen efter almindelig ensretning. Det kan være, at lavspændingsindgangen efter brug af dalfyldningsmetoden er utilstrækkeligt belastet. Desuden, uanset den isolerede eller ikke-isolerede dalfyldningsskema, kan den harmoniske test simpelthen ikke bestå. Effektfaktoren kan ikke helt nå over 0.9. Derfor kan denne løsning ikke fuldt ud opfylde certificeringsstandarder som UL og DLC. Se vedhæftede side for testdata.
Den tredje metode er at bruge en to-trins løsning. Tilføjelse af et DC til DC-trin til vores eksisterende isolerede strømforsyning kan fuldstændig eliminere virkningen af AC-rippel. De elektriske parametre kan også fuldt ud opfylde certificeringsstandarderne. Denne løsning har dog en vis stigning i omkostningerne. Det kræver tilføjelse af en ekstra strømstyringschip og nogle perifere kredsløb, og de samlede omkostninger vil stige med omkring 7 yuan.
Til dette formål har Juxin Deyuan Technology nu samarbejdet tæt med et velkendt amerikansk chipdesignfirma og er ved at udvikle en enhed, der virkelig opnår flimmerfri gennem interne justeringer af chippen. Denne teknologi bruger en metode til først at booste og derefter reducere spændingen. Hele processen afsluttes med én chip, hvilket giver jævn DC-output samtidig med, at PFC og THD sikres.
Vedhæftet er de aktuelle mainstream-flimmerfri strømforsyningstestdata:




